PRODUZIONE / PRODUCTION
Gli impianti TTE hanno una capacità produttiva di 200 tonnellate / giorno. Le attività di trattamento termico si suddividono fra componenti sottocarro, cuscinetti e ingranaggi (automotive). / TTE installations can treat up to 200 tons of steel per day. TTE activity of heat treatment is divided between undercarriage components, bearings and gears (automotive).
TRATTAMENTI TERMICI / HEAT TREATMENTS
In dettaglio, i trattamenti che l’azienda offre (tutti i trattamenti sono in aria libera, non in atmosfera) / In detail these are treatments that the company offers (all heat treatments are in free air, not under atmosphere)
BONIFICA / QUENCH AND TEMPERING
in olio o polimero / in oil or water with % of polymer
Bonifiche speciali di assestamento, di lavorabilità e di pre-nitrurazione / Quench and tempering special of settlement, workability and pre-nitriding
NORMALIZZAZIONE / NORMALISING
con raffreddamento finale in aria calma di particolari anche di grandi dimensioni / with final cooling in still air of even large parts
RICOTTURA ISOTERMICA / ISOTHERMAL ANNEALING
con riscaldo ad austenite e raffreddamento isotermico / with heating to austenite and isothermal cooling
RICOTTURA SUBCRITICA / SUBCRITICAL ANNEALING
con riscaldo controllato / with controlled heating
RICOTTURA DI GLOBULIZZAZIONE / SPHEROIDIZATION ANNEALING
con riscaldo controllato / with controlled heating
STABILIZZAZIONE E DISTENSIONE / STABILIZATION AND STRESS RELIEVING
per strutture saldate / for welded structure
GRANIGLIATURA / GRIT-BLASTING
in linea e fuori linea / to tape conveyor on line and off line
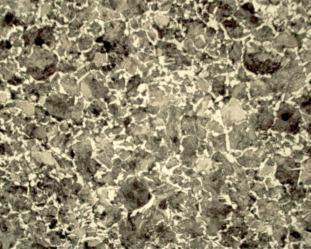
CERTIFICAZIONI E ANALISI DI LABORATORIO / CERTIFICATIONS AND LABORATORY ANALYSIS
Esame di microstrutture. Microscopio metallografico per indagini e rilievo di fotografie digitali. / Microstructures examinations. Metallographic microscope for investigation and survey of digital photographs.
Controllo magnetoscopico e con liquidi penetranti. / Magnetoscopic control and liquid penetrant testing.
Le nostre cariche
I nostri controlli
Le nostre sezioni





























































